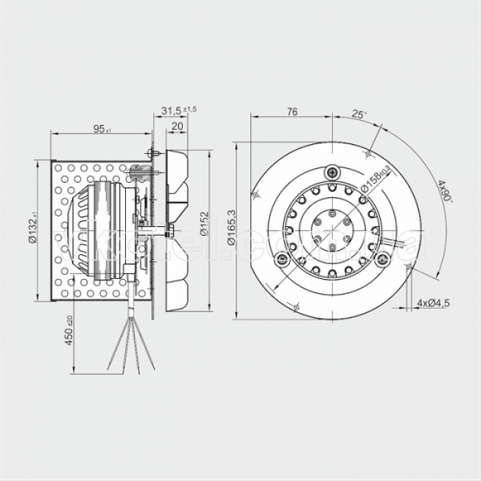
Відцентровий вентилятор R2E 150 AN91-06 призначений для видалення газів, що утворюються в процесі горіння палива в твердопаливному котлі. Створює штучну тягу в димоході там де природної тяги недостатньо.
Найбільш оптимальний ефект дає наявність вентилятора примусової подачі повітря в топку і димососа, який видаляє продукти горіння. Тоді при будь-якій висоті і діаметрі труби створюється потрібна тяга, що гарантує якісне горіння. Автоматизувати роботу вентиляторів можна за допомогою блоку управління (наприклад ATOS), який зможе самостійно реагувати на будь-які погодні умови і температуру опалювальної площі.
Експлуатація димососа можлива в досить різноманітних умовах. Температура газів, які всмоктують димососи, не повинна перевищувати + 250 °С.
Компания ebm-papst располагает обширным опытом в технологии высокотемпературных подшипников с знаниями и навыкам в области аэродинамики, и занимает ведущее положение на рынке, продукция ebm-papst соответствует самым строгим требованиям уровня шума и экономичности.
Технические параметры:
· Тип двигателя: M2E 068-BF
· Напряжение сети: 230V/50Hz
· Максимальное статическое давление: 170 Па
· Объемная производительность: 235 м3/ч
· Страна производитель: Польша
· Скорость вращения двигателя: 2400 об/мин
· Потребляемая мощность : 32 Вт
· Температура окружающей среды от -25 до +100 ° C
· Захист двигуна від теплових перевантажень, встановлена всередині
· Клас захисту: I
· Відповідність стандартам: EN 60335-1, CE
· Матеріал лопатевого колеса: нержавіюча сталь
· Напрямок обертання проти годинникової стрілки
· Монтажне положення ― будь-яке
· Режим роботи ― постійний
· Підшипник ― шарикопідшипники

Немає питань про даний товар, станьте першим і задайте своє питання.